CDL Class A Practice Test – Mississippi (MS)· Study Mode
0:00
Question 1 / 2450%
 
Question illustration for Q1
Question illustration for Q1

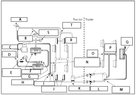
Q1. In the image, what is the air brake component labeled C called?

🔗
Save and resume this exam later
Email optional

Tap Create resume link to save this exact attempt (answers + timer). You can:
Leave email blank and we'll give you a link to copy, or
Enter your email (optional) and we'll email you the same link.

Qypsy